芯城品牌采购网 > 品牌资讯 > 元器件百科 > 单向晶闸管
芯城品牌采购网
24634
晶闸管(VT) 又称可控硅(SCR)。它是一种大功率的半导体开关器件,其种类很多,有普通型、双向型、可关断型、快速型和光控型等。这里主要介绍使用最广泛的普通型晶闸管。它的外形有螺栓式、金属壳封装和塑封式等几种。
它们都有三个电极,即阳极A、阴极K和控制极G。螺栓式晶闸管的螺栓端为阳极,另一端引线较粗的为阴极,细的为控制极G。使用时把阳极拧紧在散热器上,一般在中小功率电路中采用这种结构散热。压模塑料封装式晶闸管的阴极、阳极和控制极依次排列。使用时将螺钉穿过管子的散热片(阳极)小孔与外加散热器拧在一起,一般在小功率电路中采用这种结构散热。上述散热片均带电,应注意与仪器柜绝缘。
(1)判别电极
万用表置于R×1 k挡或R×100挡,用万用表黑表笔接其中一个电极,红表笔分别接另外两个电极 。假如有一次阻值小,而另一次阻值大,就说明黑表笔接的是控制极G.在所测阻值小的那一次测量中,红表笔接的是阴极K,而在所测阻值大的那一次,红表笔接的是阳极A.若两次测量的阻值不符合上述要求,应更换表笔重新测量。
(2)PN结特性测量
控制极G和阴极K之间,是一个简单的PN结。用万用表测量其正反向电阻,如果两者有很明显的差别,则说明该PN结是好的。若两次测的电阻均很大或很小,则说明控制极G和阴极K之间开路或短路。
阳极A与控制极G及阴极K之间为PN结反向串联。测量正反向电阻,正常时均应接近无穷大。
(1)判别电极
万用表置于R×1 k挡或R×100挡,用万用表黑表笔接其中一个电极,红表笔分别接另外两个电极 。假如有一次阻值小,而另一次阻值大,就说明黑表笔接的是控制极G.在所测阻值小的那一次测量中,红表笔接的是阴极K,而在所测阻值大的那一次,红表笔接的是阳极A.若两次测量的阻值不符合上述要求,应更换表笔重新测量。
(2)PN结特性测量。控制极G和阴极K之间,是一个简单的PN结。用万用表测量其正反向电阻,如果两者有很明显的差别,则说明该PN结是好的。若两次测的电阻均很大或很小,则说明控制极G和阴极K之间开路或短路。
阳极A与控制极G及阴极K之间为PN结反向串联。测量正反向电阻,正常时均应接近无穷大。
(3)触发特性测量
①万用表置于R×10挡,红表笔接阴极k,黑表笔接阳极a,指针应接近∞ ,如图(a)所示。
②用黑表笔在不断开阳极的同时接触控制极g,万用表指针向右偏转到低阻值,表明晶闸管能触发导通,如图 (b)所示。
③在不断开阳极a的情况下,断开黑表笔与控制极g的接触,万用表指针应保持在原来的低阻值上,表明晶闸管撤去控制信号后仍将保持导通状态。

从单向晶闸管的伏安特性曲线上可以看出它分五个区,即反向击穿区、反向阻断区、正向阻断区、负阻区和正向导通区。大多数情况下,晶闸管的应用电路均工作在正向阻断和正向导通两个区域。晶闸管A 、K 极间所加的反向电压不能大于反向峰值电压,否则有可能使其烧毁。
单向晶闸管的上述特性,可以用以下几个主要参数来表征。
①额定平均电流IT: 在规定的条件下,晶闸管允许通过的50Hz 正弦波电流的平均值。
②正向转折电压VBO : 是指在额定结温及控制极开路的条件下,在阳极和阴极间加以正弦技半波正向电压,使其由关断状态发生正向转折变为导通状态时所对应的电压峰值。
③正向阻断峰值电压VDRM: 定义为正向转折电压减去100V后的电压值。
④反向击穿电压VBR : 是指在额定结温下,阳极和阴极间加以正弦波反向电压,反向漏电流急剧上升时所对应的电压峰值。
⑤反向峰值电压VRRM:定义为反向击穿电压减去100V后的电压值。
⑥正向平均压降VT : 是指在规定的条件下,当通过的电流为其额定电流时,晶闸管阳极、阴极间电压降的平均值。
⑦维持电流IH: 是指维持晶闸管导通的最小电流。
⑧控制极触发电压VGT和触发电流lGT: 在规定的条件下,加在控制极上的可以便晶闸管导通的所必需的最小电压和电流。
⑨导通时间tgt(ton): 从在晶闸管的控制极加上触发电压VGT 开始到晶闸管导通,其导通电流达到90% 时的这一段时间称为导通时间-
⑩关断时间tg ( toff) :从切断晶闸管的正向电流开始到控制极恢复控制能力的这一段时间称为关断时间。
此外,晶闸管还有一些其他参数.例如,为了使晶闸管能可靠地触发导通,对加在控制极上的触发脉冲宽度是有一定要求的;为使晶闸管能可靠地关断,对晶闸管的工作频率也有一定的规定;为避免晶闸管损坏,对控制极的反向电压也有一定的要求。
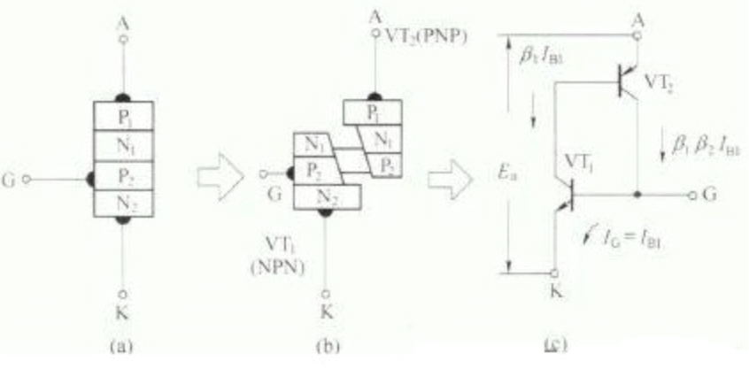
单向晶闸管内有三个PN 结,它们是由相互交叠的4 层P区和N区所构成的.如图(a) 所示。晶闸管的三个电极是从P1引出阳极A,从N2引出阳极K ,从P2引出控制极G ,因此可以说它是一个四层三端半导体器件。

为了便于说明.可以把图(a) 所示晶闸管看成是由两部分组成的(b),这样可以把晶闸管等效为两只三极管组成的一对互补管.左下部分为NPN型管,在上部分为PNP 型管(c)。
当接上电源Ea后, VT1及VT2都处于放大状态,若在G 、K 极间加入一个正触发信号,就相当于在VT1基极与发射极回路中有一个控制电流IC, 它就是VT1的基极电流IB1。经放大后, VT1产生集电极电流ICI。 此电流流出VT2 的基极,成为VT2 的基极电流IB2。于是,
VT2 产生了集电极电流IC2。IC2再流入VT1 的基极,再次得到放大。这样依次循环下去,一瞬间便可使VT1和VT2全部导通并达到饱和。所以,当晶闸管加上正电压后,一输入触发信号,它就会立即导通。晶闸管一经导通后,由于导致VT1基极上总是流过比控制极电流IG大得多的电流,所以即使触发信号消失后,晶闸管仍旧能保持导通状态。只有降低电源电压Ea,使VT1、VT2 集电极电流小于某一维持导通的最小值,晶闸管才能转为关断状态。
如果把电源Ea反接, VT1 和VT2 都不具备放大工作条件,即使有触发信号,晶闸管也无法工作而处于关断状态。同样,在没有输入触发信号或触发信号极性相反时,即使晶闸管加上正向电压.它也无法导通。上述的几种情况可参见下图 。

总而言之,单向晶闸管具有可控开关的特性,但是这种控制作用是触发控制,它与一般半导体三极管构成的开关电路的控制作用是不同的。
单向晶闸管能在高电压、大电流条件下工作,具有耐压高、容量大、体积小等特点,它是大功率形状型半导体器件,广泛应用于电力、电子线路中。
典型应用:
1、交直流电机控制
2、各种整流电源
3、工业加热控制
4、调光
5、无触点开关
6、电机软起动
7、静止无功补偿
8、电焊机
9、变频器
10、UPS电源
免责声明:
文章内容转自互联网,不代表本站赞同其观点;
如涉及内容、图片、版权等问题,请联系2644303206@qq.com我们将在第一时间删除内容!